-
-
AH2090/2290/2490/2590
產品型號:風冷機AH2090/2290/2490/2590
風冷機AH2090/2290/2490/2590適用于回油冷卻。
- 產品介紹
- 規格參數
風冷機AH2系列型號說明
AH 2090 -C A2 系列號碼 冷凝板規格 接線方式 電壓 風冷機 2090
2290
2490
2590C:電機驅動(DIN彎插頭) A2:AC220V
A3:AC380V
D2:DC24V風冷機AH2系列規格表
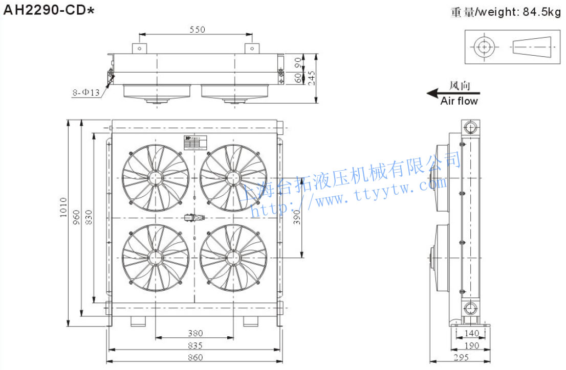
型號 牙口(PT) 通過量?/min 工作壓力Mpa 風扇功率W 重量Kg AH2090-CA 1 1/2" 400 ≤2 600 80 AH2290-CA 1 1/2" 450 800 150 AH2490-CA 2" 400 700 110 AH2590-CA 1 1/2" 500 900 110 風冷機AH2系列外形尺寸圖
風冷機AH2090外形尺寸圖下載 風冷機AH2290-CA*外形尺寸圖下載
風冷機AH2290-CD*外形尺寸圖下載 風冷機AH2490外形尺寸圖下載
風冷機AH2590外形尺寸圖下載風冷機AH2系列性能曲線
風冷機AH2090性能曲線下載 風冷機AH2290性能曲線下載
風冷機AH2490性能曲線下載 風冷機AH2590性能曲線下載
